HM Wendeplatten Z2 (1-Loch) 11 x 11 x 4 mm, Qualität KCR08 - 10 Stück
HM Wendeplatten Z2 (1-Loch) 11 x 11 x 4 mm, Qualität KCR08 - 10 Stück
Made in Germany
SKU:EW 11114
verfügbar
- Schnelle Lieferung (1-3 Werktage)
- Kostenloser Versand nach Deutschland ab einem 200€ netto Bestellwert
- 14-tägiges Rückgaberrecht
Verfügbarkeit für Abholungen konnte nicht geladen werden

Produktdetails
Beschreibung
10 Stück HM Standard Wendeschneidplatten Z 2 (1-loch)
2-Schneidig, mit hohler Messerbrust
10 Stück in einer Verpackungseinheit.
Einzeln entnehmbar aus einer praktischen Kunststoffverpackung.
Anwendung
Einzusetzen auf allen gängigen Fräsern mit entsprechenden Abmessungen der Wendeplatten. Für die Bearbeitung aller Holzarten und Holzwerkstoffe.
Ausführung
Durch die Verwendung VHM Hartmetall (Qualität KCR08) und den zwei Schneidkanten erhalten Sie eine besonders hohe Standzeit! Mehr zu den Qualitäten finden Sie unten ↓
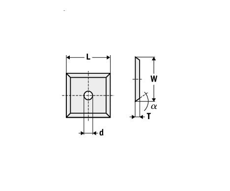
Länge (L): 11,0 mm
Breite (W): 11,0 mm
Stärke (T): 4,0 mm
Lochdurchmesser / Aufnahme (d): 4,3 mm
Über die Qualitäten
KCR06 und KCR08
Neue Spezial Chrom-Hartmetall Sorte:
• deckt 99% aller Anwendunsgebiete ab
• exaktere Schneidkantenausführung durch Submikron-Sorte herstellbar
• hohe Korrosionsbeständigkeit durch Beimengung von Chrom
KCR02+
Eine noch härtere Sorte mit 50 % mehr Standweg gegenüber MG06 bei der Bearbeitung von MDF und HDF.
UMG04
Die extreme Härte ist eine Herausforderung für diamantbestückte Werkzeuge. In Versuchen wurde die 3-fache Standzeit gegenüber SMG02 und die 9fache gegenüber Standardsorten festgestellt. Es ist eine sehr wirtschaftliche Alternative zu PKD, wenn man das deutlich reduzierte finanzielle Risiko bei einer eventuellen Beschädigung der Werkzeuge berücksichtigt.
MG06
Die höhere Härte im Vergleich zu HC05 ermöglicht bis zu 20 % mehr Standweg beim Bearbeiten von MDF.
MG18
Aufgrund der Materialstruktur ist MG18 das Optimum für 45° Schneidwinkel. Es ermöglicht dabei eine harte, scharfe und verschleissfeste Schneidkante. Diese HM-Sorte ist ideal zur Bearbeitung von Massivholz bei gleichzeitig höherem Standweg.
HE40
Diese HM-Sorte wurde als Alternative zu HSS und anderen Materialien entwickelt. Das Material hat eine extreme Schneidenhaltigkeit mit Schneidwinkel bis 55° bei einer hartmetalltypischen Härte. Dadurch werden HSS und andere Materialien in Punkto Schneidleistung, Lebensdauer und Güte der bearbeiteten Oberfläche speziell bei Weichholz bei weitem übertroffen.
Haben Sie Fragen zu unseren Produkten oder benötigen eine Beratung?
Rufen Sie uns persönlich an! 02191/5929207
Oder schreiben Sie uns eine Email: info@effektiv-werkzeuge.de
Nicht die richtige Wende/Wechselplatte?
Nutzen Sie die Wende/Wechselplatten Suche und finde garantiert die richtigen Wende/Wechselplatten. Filtern Sie nach Länge, Breite, Stärke, Qualität, Lochabstand, Lochdurchmesser, Schneidenwinkel, Radius...